MS Projetos Industriais: Especialistas em Padrões CEMIG para Belo Horizonte e Região
Se você está procurando um serviço especializado, seguro e eficiente para instalação, construção e homologação de padrão CEMIG até 2500kVA a MS Projetos Industriais é uma empresa especializada em projeto de padrão CEMIG, construção e instalação, com sede em BH, atendendo todas as cidades da região metropolitana, como Betim, Contagem, Caeté, Juatuba, Ibirité, Lagoa Santa, Nova Lima, Pedro Leopoldo, Timóteo, Raposos, Ribeirão das Neves, Mateus Leme, Sarzedo, Martinho Campos, São Joaquim de Bicas, Itaúna, Pará de Minas, Esmeraldas, Matozinhos, Jaboticatubas, Itabirito, Rio Acima, Sabará, Santa Luzia, Vespasiano, Ouro Branco, Sete Lagoas, Ouro Preto, Barão de Cocais, Congonhas, Mariana, Conselheiro Lafaiete Divinópolis e muitas outras. Nossa missão é fornecer serviços de alta qualidade para garantir a eficiência e confiabilidade dos sistemas elétricos dos nossos clientes.
-
Compromisso com Qualidade e Segurança
-
Equipe de Especialistas Altamente Capacitados
-
Projetos Homologados e 100% Regularizados
-
Instalação Rápida, Segura e de Alta Performance
A MS Projetos Industriais é uma empresa especializada na elaboração de projetos elétricos de baixa tensão de acordo com as Normas de Distribuição da CEMIG (NDS). Seus serviços abrangem várias etapas do processo de projeto e instalação elétrica. Aqui estão alguns detalhes sobre os serviços oferecidos pela MS Projetos Industriais para projetos de baixa tensão de padrão conforme as NDS da CEMIG:
1. Levantamento de Dados: A MS realiza um levantamento detalhado dos requisitos elétricos da unidade consumidora, incluindo a carga estimada, tipos de equipamentos, pontos de consumo, layout da instalação e outras informações relevantes.
2. Dimensionamento de Carga e Condutor: Com base nos dados coletados, a MS Projetos Industriais realiza o dimensionamento correto da carga elétrica e seleciona a seção adequada dos condutores elétricos para cada circuito, garantindo a eficiência e a segurança da instalação.
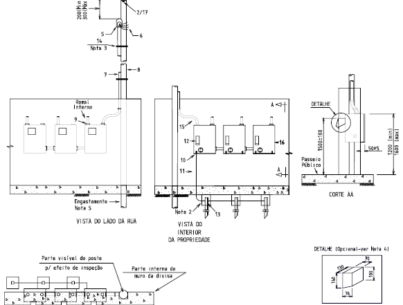
3. Projeto de Distribuição: A MS Projetos Industriais projeta a distribuição dos circuitos elétricos, definindo a disposição dos quadros de distribuição, os caminhos dos condutores, os dispositivos de proteção e os pontos de consumo. Isso inclui a criação de um diagrama unifilar detalhado.
4. Padrão de Entrada de Energia: A MS Projetos Industriais garante que o projeto atenda aos padrões de entrada de energia exigidos pela CEMIG, incluindo a altura, distâncias mínimas, tipo de poste e outros requisitos.
5. Aterramento e Proteção: O projeto inclui detalhes sobre o sistema de aterramento, bem como a seleção e localização adequada dos dispositivos de proteção, como disjuntores, fusíveis e dispositivos de corrente diferencial residual (DR).
6. Detalhes Construtivos: São fornecidos detalhes técnicos sobre a instalação de eletrodutos, caixas de medição, quadros de distribuição e outros componentes elétricos.
7. Documentação Completa: A MS Projetos Industriais prepara uma documentação completa, incluindo o memorial descritivo, o diagrama unifilar, os detalhes construtivos e outros documentos necessários para a aprovação do projeto pela CEMIG ou outros órgãos regulatórios.
8. Acompanhamento: Em alguns casos, a empresa pode oferecer serviços de acompanhamento e supervisão da execução do projeto, garantindo que a instalação elétrica seja realizada de acordo com as especificações do projeto.
9. Instalação de padrão Cemig: Após a aprovação, realizamos a instalação completa do padrão de entrada, utilizando materiais padronizados e mão de obra especializada para garantir um serviço seguro e eficiente.
10. Vistoria e Ligação de Energia: Com o padrão Cemig instalado, solicitamos a vistoria da CEMIG. Após aprovação, a concessionária realiza a ligação elétrica do imóvel à rede de distribuição.
É importante ressaltar que os detalhes acima são fornecidos com base em informações gerais e podem variar dependendo dos serviços específicos oferecidos pela MS Projetos Industriais. Para obter informações mais detalhadas sobre os serviços da empresa e como eles se aplicam às Normas de Distribuição da CEMIG, é recomendável entrar em contato diretamente com a MS Projetos Industriais.
Seguem projetos que elaboramos:
-
Elaboramos projetos até 2500kVA;
-
Caixas com medições agrupadas (prédios residenciais, industriais, comerciais e shoppings centers).
Essas são algumas das principais ND's CEMIG que a MS Projetos Industriais segue ao elaborar seus projetos. A empresa está comprometida em atender a todas as normas e regulamentações estabelecidas pela CEMIG, garantindo a qualidade e conformidade de seus projetos elétricos:
-
ND 5.1 - Fornecimento de Energia Elétrica em Tensão Secundária – Rede de distribuição Aérea – Edificações Individuais.
-
ND 5.2 - Fornecimento de Energia Elétrica em Tensão Secundária Rede de Distribuição Aérea – Edificações.
Coletivas. -
ND 5.5 - Fornecimento de Energia Elétrica em Tensão Secundária – Rede de Distribuição Subterrânea.
Confie na nossa expertise para obter aprovação e sucesso em seus projetos junto à CEMIG, realizamos toda a parte burocrática do processo do início ao fim.
Vantagens de Contratar a MS Projetos Industriais
Experiência e Qualificação Técnica
Nossa equipe é composta por engenheiros e técnicos especializados em projetos elétricos de alta qualidade.
Garantia de Aprovação na CEMIG
Elaboramos projetos 100% conformes às normas ND-5.1, ND-5.2, ND-5.3 e ND-5.5, evitando retrabalhos e atrasos.
Atendimento Rápido e Personalizado
Temos um processo ágil e eficiente para que seu projeto seja aprovado no menor tempo possível.
Cobertura em Belo Horizonte e Região
Atendemos condomínios, residências, comércios e indústrias nas cidades:
Perguntas Frequentes sobre Padrão CEMIG
Quanto tempo leva para aprovar um projeto de padrão CEMIG?
O tempo varia de 15 a 30 dias, mas com nossa expertise, aceleramos o processo, reduzindo a possibilidade de reprovação.
Quais documentos são necessários para solicitar um projeto?
Geralmente são exigidos:
-
Planta do imóvel
-
Documentos imobiliários
-
Memorial descritivo
-
Carga instalada
-
ART (Anotação de Responsabilidade Técnica) do engenheiro responsável
Qual o preço de um padrão CEMIG?
O valor depende do tipo de padrão e das especificações técnicas do projeto. Entre em contato para um orçamento detalhado.
A MS Projetos Industriais também executa a obra?
Sim! Cuidamos desde o projeto até a instalação completa, garantindo qualidade e conformidade com as normas elétricas.
Meu padrão CEMIG foi reprovado. O que fazer?
Se seu projeto foi reprovado pela CEMIG, nós realizamos a adequação e reapresentação do projeto, corrigindo qualquer não conformidade.
Nossas Especialidades










































